爱游戏网页版注册(中国区)官方网站

行业知识

机组循环水泵出口液控蝶阀常见故障分析及处理知识

2022-04-24 14:23:50 爱游戏网页版注册(中国区)官方网站自控

机组循环水泵出口液控蝶阀常见故障分析及处理


引言

 

  WHY-Q系列液控蝶阀是循环水系统的主要设备之一,它的可靠与否关系着循环水系统的安全与稳定,而循环水系统的运行状况直接影响着机组的真空品质和汽轮机效率,严重故障时可直接导致机组跳闸[1]。河源电厂2×600MW燃煤机组配备有4台立式循环水泵,水泵出口各对应设置1台型号为2200D×7K41X-6Q蓄能罐式液控缓闭止回蝶阀。液控蝶阀是通过控制逻辑实现阀门的开关角度、速率大小等动作来消除循环水系统潜在水锤对管网的破坏以及水泵倒转[2]。液控蝶阀主要由蝶阀本体、传动装置、液压机构和电气控制部分等组成,在使用和维护过程中,各组成部分都曾发生了不同形式的故障现象,尤其是液压机构部分,多次出现油压异常、漏油、蝶阀拒动等情况,本文根据液压系统故障现象仔细分析缺陷原因,优化检修工艺,及时解体检查更换损坏件,避免了缺陷扩大。



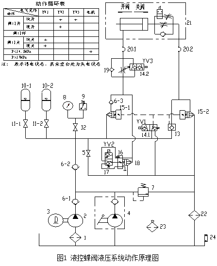
1、液压系统动作原理介绍


  河源电厂循环水泵出口液控蝶阀液压系统是由液压模块、油泵、KW10-A系列电磁阀、二通插装阀、ERQ-300系列液控单向阀、GKC-TR系列蓄能器、液压活塞缸以及液压胶管等组成,通过逻辑设定,系统获得“开/关阀”操作指令后相应电磁阀带电,二通插装阀油路接通或关闭,液压油流入或流出活塞缸前后腔室使活塞杆动作,进而带动蝶阀蝶板旋转,完成蝶阀的开关操作。具体动作原理如图1所示,以下分析将以本图中部件编号为依据。


  系统油压小于设定压力14.5MPa且油泵设置在自动状态,电动油泵2会自动启动,给系统充压,直至系统油压大于设定压力17.0MPa。系统油压只有在设定压力范围内蝶阀才可以正常开关,否则无法操作或操作时间将会变长或缩短。手摇泵4是电动泵的并联设备,由于容积排量较小,且受操作人的动作幅度、摇动频率所限,无法在短时间内给液压系统充至合格压力,因此只能在液压系统调试阶段或检修后系统恢复阶段试验使用,实现蝶阀小角度开关,不能作为蝶阀全行程开关操作的动力源。

图片关键词

1.1  阀门开启


  液压系统收到“开阀”指令后电磁阀YV2带电,压力油经液控单向阀13、高压胶管进入摆动油缸的无杆腔,推动活塞杆伸长,以使蝶阀蝶板旋转,回油则从油缸的有杆腔排出,经调速阀、电磁换向阀YV2流回油箱,实现开阀动作。若电磁阀YV3也同时带电,回油通道上将多了一条与调速阀并联的油路,回油流量增大,实现蝶阀快开动作。


1.2  阀门关闭


  液压系统收到“关阀”指令后电磁阀YV1带电,插装阀15-1和15-2背部的压力油泄掉,在弹簧力的作用下使其打开,压力油将经插装阀15-1、单向阀6-3、单向阀19和调速阀、高压胶管进入摆动油缸的有杆腔,推动活塞杆退回,以使蝶阀蝶板旋转,回油则从油缸的无杆腔排出,经插装阀15-2流回油箱,实现关阀动作。调整油缸尾端的角度、速度调节杆,可以调整液压油进入无杆腔接近蝶阀完全关闭阶段的流量,实现活塞杆完全退回时的速率,从而实现调整关阀整体时间、蝶阀蝶板靠近蝶阀阀座密封面的接触时间等功能。


1.3 蝶阀中停


  原则上蝶阀在正常使用过程中不可以中停,以保持循环水泵运行时循环水通道畅通,避免循泵关阀或部分关阀状态运行时汽蚀、振动情况的发生,因此DCS操作界面上无“中停”指令按钮。在就地控制柜面板上“停”按键可以使蝶阀停在任一开度,但仅用于就地调试。



2、故障现象、分析及处理措施


  在长年的液控蝶阀检修维护过程中,曾遇到过不同情况的故障现象,经多角度分析后逐一排查缺陷原因,有针对性地分别处理,最终解决了各种问题,积累了一定的蝶阀维修经验,现分门别类总结如下:


2.1 油压异常


2.1.1系统不保压


  液压油系统出现最多的故障就是不保压。蝶阀无任何操作的情况下,液压油站油泵启动间隔一般为4-6天,时间较长时可达22天,低于4小时则视为系统不保压。YB-N46抗磨液压油有一定黏度,油泵频繁启停会导致油温缓慢上升,由于液压油系统没有设置换热器,如果热量不能及时被周围环境带走,油温就会持续上升。2#循泵出口液控蝶阀油站曾发生过油温上升至80℃以上的情况,液位计24为硬质塑料材质,受热后会变形,导致险些破损漏油。而液压模块内一些密封件受热损坏,保压性能会进一步降低,引起恶性循环。


  系统不保压的主要原因是:⑴O型圈表面被高压、高速油流冲刷致强度下降,损坏后形成缺口,从该处泄漏;⑵O型圈长时间使用会老化,致使韧性下降,受热致强度不足,损坏后缺口处泄漏;⑶安装工艺差,O型圈没安装到位、压偏或破损等原因造成泄漏。


  插装阀密封圈损坏会出现内漏,保压时间与内漏量有直接关系。当出现系统不保压的情况时,必须及时更换新密封圈,避免已损坏的O型圈缺口进一步扩大,保压时间变短。解体可见密封件损坏,见图2解体照片,插装阀上的O型圈、开口垫都存在不同程度的缺口,必须及时更换。

图片关键词


2.1.2油压缓慢上升


  3#循环水泵出口液控蝶阀最初没有把油站油压远传至DCS系统,运行人员无法随时查看液控蝶阀油压,考虑到循环水系统的重要性,热控专业曾针对此进行了技术改造,把该阀液压系统油压远传至集控室监测。通过分析运行曲线,发现油压每天有规律地缓慢上升,规律性与周围环境温度波动情况相符。经仔细观察发现,油站靠近窗户,下午15:00左右阳光会直射蓄能器,导致皮囊内的氮气受太阳辐射热后膨胀,油压有规律地上升,最高上升至19.2MPa,发现后及时通过泄压阀5泄至15.0MPa左右。用一块湿布覆盖蓄能器壳体后短时间内油压就会有所降低,进一步印证了以上分析。蓄能器内氮气可作为理想气体进行分析,液压系统不存在内漏情况,比体积几乎保持不变,因此可看作定容过程,初、终参数间的关系可根据

图片关键词


例如,某天蓄能器温度20℃时油压为16.5MPa,阳光直射时蓄能器温度45℃,即


氮气初始参数为:

图片关键词

氮气终参数

图片关键词

根据定容过程热力方程式,可以计算出

图片关键词


超过安全压力17.5MPa,必须及时泄压至安全范围内。


  根据以上分析,在附近窗户上安装防红外线窗帘后,尽管油压也会缓慢上升,但避免了阳光直射,油压也几乎不会出现超压的情况。


2.1.3启泵时油压频繁波动


  由于液压系统容量较小,电动油泵的体积排量相对较大,若蓄能器出口隔离阀11-1、11-2在没有打开或者没有完全打开的情况下,油泵启动后油压会快速达到停泵设定压力17.0MPa,逆止阀6-1、6-2还没来得及关闭油压就泄至启泵设定压力14.5MPa,于是油泵又会自动启动,如此出现频繁启泵的情况;蓄能器皮囊内氮气正常压力范围是8~9MPa,若蓄能器皮囊破损、充氮螺栓未关到位,或者皮囊内氮气压力充盈不足,同样会出现上述电动油泵频繁启停的情况。缓慢开启蓄能器出口隔离阀直至全开;或更换新皮囊,重新充氮压力至正常范围后锁紧内六角螺栓。


  另外,安全泄压阀7不回位或卸载压力设置值低于油泵自启压力,液压油会从该处泄掉,油泵频繁启动补压。因此,需要解体查看安全阀内是否有异物卡涩或弹簧损坏致使其不回位;或者重新校验整定安全阀起座/回座压力后回装。


2.1.4 油泵加载时间长


  由于液压系统较小,油泵初次投入时一般90秒左右就可以加载到停泵压力17.0MPa,若加载时间超过2分钟,则判断为油泵不起压。故障原因可能是:电机反转,电机接线调相后即可解决;泵出口接头位于油箱内靠近顶部,如果接头松动或者O型圈损坏导致的漏油是无法看到的,需仔细排查才可确认,重新紧固接头或更换O型圈即可。


2.2漏油


2.2.1内漏

在液压系统内窜油,导致不保压或阀门误动,称为内漏。


  造成内漏的原因有多种,如密封件损坏、动作部位有异物致卡涩、部件损坏等。油站液压模块部件较多,每个部件都需要配置质量合格的密封件才能正常工作。若尺寸较大,安装过程中容易损坏,造成阀门内漏,保压性能降低,或插装阀无法动作,最终蝶阀拒动;若尺寸较小,会造成插装阀不严密,起不到密封效果;若材质不耐油,会降低密封件的使用寿命,O型圈损坏后造成插装阀内漏。河源电厂在检修过程中曾使用规格不合适的O型圈,如插装阀阀芯标准O型圈尺寸为φ17×2.65mm,而错误地使用φ17×2.8mm,导致插装阀回装时即被平行切开一个厚度σ0.30mm左右的胶圈。


电动油泵反转是系统内漏的另一种典型情况,单向阀6-1和6-2若同时内漏会使蓄能器油从电动油泵回流至油箱,使泵转动。


  处理措施:定期过滤液压油,定期取样化验,油质不合格的情况下更换新油,保持油质洁净,避免杂物卡涩;使用标准规格、合适材质的密封件;当出现内漏状况时,及时解体故障部件进行检修,清理异物,更换密封件。


2.2.2外漏


外漏缺陷现象明显,可直观地发现故障部位、损坏部件。河源电厂4台液控蝶阀近几年曾发生外漏的情况如下:

图片关键词


2.3蝶阀拒动


  在系统带电油压正常建立的前提下,操作人员发出“开阀/关阀”指令后,蝶阀不动作或者动作缓慢,称为蝶阀拒动。若开阀操作中拒动,会导致泵憋压运行;若关阀操作中拒动,会使循环水系统水压下降,循环水泵跳闸,机组循环水中断跳闸[4],循环水泵停运后循环水倒流回前池,泵倒转,并且冲击泵前旋转滤网,造成循环水泵或旋转滤网损坏,必须极力避免。


  发现蝶阀拒动,首先应排除电气、热控通讯故障,其次再查找机械方面,拒动的原因主要是由于油路不通或不畅。逻辑上设定:循泵启动后该阀5秒内不会联开,系统将发出跳泵指令;循泵停止后3秒内不会联关,系统将发出故障报警。


2.3.1蝶阀不动作

  拒动的根本原因是油路不通,液压缸活塞两端没有液压油流入、流出。电气系统接到蝶阀开关指令后相关电磁阀应带电,若电磁阀正常带电后油路仍不通,则要检查控制模块上电磁阀机械部分是否卡涩或磨损,清洗后仍不正常,则需解体检查或更换新件。


2.3.2蝶阀动作缓慢


  动作缓慢的根本原因是油路流动但不畅,液压缸活塞两端尽管有液压油流动,但流量较小,无法在蝶阀厂家规定的时间(30~80秒)内完成开关阀行程。油路不畅的原因包括:


⑴与单向阀19和电磁阀YV3并联的调速阀调整开度过小会导致油路不畅,完全关闭时可导致蝶阀无法执行开阀指令。如果蝶阀可以正常关闭而开启缓慢,可以确定为调速阀开度过小或阀芯卡有异物的原因。2016年8月,河源电厂3#循泵出口蝶阀曾经发生过开阀特别缓慢的情况,开启曲线见图3,该阀开度从39.5%开至89%共用时1个小时的时间,多次调整调速阀开度,仍无法解决蝶阀正常开启的问题,怀疑调速阀内有异物卡住致使油流不畅。解体调速阀,发现其阀芯内卡住一条细细的聚四氟线,为开口垫切下的部分,清除后回装,重新调整调速阀开度,3#蝶阀可以开启正常,全行程开启时间为52秒,开启曲线见图4。

图片关键词

图片关键词

⑵电磁阀机械部分卡涩,导致电磁线圈尽管带电但衔铁动作不到位,致使油路不畅,蝶阀动作缓慢。YV1卡涩会延长蝶阀关闭时间,YV2和YV3卡涩会延长蝶阀开启时间。2015年11月,河源电厂1#循泵出口蝶阀曾经发生过关阀特别缓慢的情况(开阀时间在5分钟以上),经检修结果排查,发现电磁阀YV1内弹簧处卡住一条细细的聚四氟线,为开口垫切下的部分,清除后回装,蝶阀可以正常关闭。


⑶液压缸尾端的角度、速度调节杆调整不当,会适当减小开关阀时间。液压缸内部构造见图5。

图片关键词

调整油缸尾端的角度、速度调节杆,可以调整液压油进入无杆腔接近蝶阀完全关闭阶段的流量,实现活塞杆完全退回时的速率,从而实现调整关阀整体时间、蝶阀蝶板靠近蝶阀阀座密封面的接触时间等功能。调整杆完全关闭或打开,不会导致液压缸腔室无法进出油量,它只会影响开关阀初始阶段的速率。2019.12.15,1#液控蝶阀曾发生过关阀时间205秒的现象,怀疑油缸尾端速度调节杆回油调整阀处堵塞,增大调整阀开度,再次开关蝶阀,用较大流量的液压油冲洗后重新调节调整阀开度,关阀时间重新缩短至45秒左右。


2.4蝶阀偷开


  蝶阀自动缓慢开启,称为阀门偷开。由于偷开的持续时间较长,运行人员很难发现系统设备异常,但一旦蝶阀开启一定开度,将会造成循环水倒流,偷开的蝶阀对应循环水泵倒转,引起叶轮止退锁母松动甚至叶轮脱落的危险,蝶阀开度较大时最直接的影响就是循环水系统压力降低,影响冷却效果,机组经济性降低,严重时凝汽器真空不符合要求而导致机组跳闸的事故。2017年5月,河源电厂2#循泵出口液控蝶阀曾发生过蝶阀偷开的情况,开启曲线见图6,从开度1.83%缓慢开至2.76%用时35个小时(注:1#机组检修中,1#、2#循泵都处于停运状态)。

图片关键词

蝶阀偷开是因为油缸有杆腔内的油缓慢流回油箱的缘故,缺陷原因可能是下面几种情况中的一种或几种:


⑴电磁阀YV2失电状态下内漏。电磁阀机械部分卡有异物会造成内漏,在检修维护过程中曾多次解体电磁阀,发现弹簧处有异物卡住的情况。


⑵液压缸活塞环有杆腔与无杆腔之间窜油。活塞环纵向面卡有异物,或者纵向面有贯通损伤缺口,或者液压缸壁面上有纵向面贯通沟槽,蝶阀蝶板前后压力波动使液压缸活塞杆受力波动,进而就会使有杆腔内的液压油缓慢流向无杆腔内,造成活塞杆缓慢伸长,蝶阀偷开情况的发生。



3、检修优化


  检修质量是保证设备稳定运行的前提,在多年的维护过程中,逐步优化检修工艺,细化检修过程,使液控蝶阀各个部件出现故障的间隔逐渐加大,具体措施包括:


⑴设备厂家加工时在所有插装阀的阀座安装孔端面处都没有倒角,导致安装阀座时端面很容易切削O型圈和开口垫。用手持式内磨机打磨出倒角后,再进行安装插装阀阀座就变得很容易,且不会出现密封件在安装过程中被切削情况的发生。


⑵在安装插装阀及其盖板时在O型圈安装的沟槽内涂抹凡士林,避免安装过程中密封件脱落。


⑶用合适的拉杆螺栓慢慢推压安装部件,平行安装,避免斜切密封件。


⑶单向阀6-1、6-2、6-3以及插装阀15-1同时内漏。此情况会伴随电动油泵反转现象。


⑷单向阀6-3、插装阀15-1内漏,同时蓄能器缓慢泄漏氮气。有杆腔内的油缓慢流至蓄能器,造成蝶阀偷开。


  液压缸活塞环的情况较难检查,需从较为容易检查的部件查起,逐个排除。经排查,最终发现图5中2#循泵出口液控蝶阀偷开的缺陷原因是液压缸底部内壁面上有纵向贯通沟槽,更换新液压缸后故障排除。


4、结语


  文章从液控蝶阀动作原理着手,结合系统故障现象(如油压异常、蝶阀拒动、阀门偷开等),分析可能造成设备缺陷的原因,有针对性地解体检修某个或某些部件,避免过度拆检或检查不到位而留下缺陷复发隐患。总结多年检修蝶阀液压系统的经验,分类整理,优化检修。




爱游戏网页版注册(中国区)官方网站
产品
新闻
联系