气包其实就是一个储气罐,他的作用就是储存一定的带压气体,已备现场气源突然中断而导致阀门不能处于安全位置的临时供气容器。即在正常运行时是没有任何作用的,只有断气后才会通过气包去补气,从而使阀门处于故障安全的位置。
2025-09-03 爱游戏网页版注册(中国区)官方网站
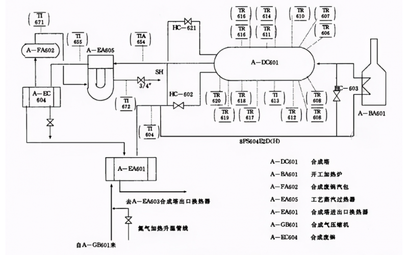
温度传感器深度插入 :未明确规定具体温度仪表在各类介质管道或设备中的插入深度数值,但强调温度检测元件的安装位置和插入深度应能正确反映被测对象的温度,避免因安装位置不当或插入深度不足导致测量误差过大,影响温度测量的准确性和可靠性。
2025-05-19 爱游戏网页版注册(中国区)官方网站
安全完整性等级(Safety Integrity Level,SIL)是国际标准 IEC61508中定义的一种离散性的等级(见下图),它用来衡量安全控制系统(紧急停车系统、安全联锁系统)成功执行规定的安全功能的概率。概率越高,则安全完整性等级越高。
2025-04-28 爱游戏网页版注册(中国区)官方网站
典型安装图如照片所示,隔热接头具有活接头的功能。方便火检探头的拆装。可从隔热接头处将火检探头拆下来。火检的拆装不需要专用工具。 常用的工具为:管钳,活扳手,内六角扳手,螺丝刀。
2025-04-25 爱游戏网页版注册(中国区)官方网站
在室温下,探头锆管的内阻1M以上,锆管的负极与探头外壳相通。探头加热炉的电阻值在602左右,用500V兆欧表测量探头的绝缘电阻,其中热电偶对探头外壳绝缘电阻应大于20M2,加热炉对探头外壳绝缘电阻应大于5M2
2025-02-08 爱游戏网页版注册(中国区)官方网站
在各种安全检查中,关于可燃有毒气体报警器最多的问题为某某区域缺少可燃有毒气体报警器。甚至被列为重大隐患! 究其原因,对可燃有毒气体的“释放源”理解不准确。所以关于“释放源”的准确理解是管理好可燃有毒气体报警器的最主要的第一步。
2025-01-06 爱游戏网页版注册(中国区)官方网站
当汽包压力突降时,炉水饱和温度下降到对应压力下的饱和温度,炉水因此放出大量热量进行蒸发,炉水内的汽泡增加,汽水混合物体积膨胀,导致水位上升,形成虚假水位。
2024-11-29 爱游戏网页版注册(中国区)官方网站
仪表调试是对工业自动化控制中涉及到的仪表单体和控制系统进行调整和试验,目的是检查其内在 技术性能符合规范或设计规定,参数达到设计图纸要求。
2024-11-11 爱游戏网页版注册(中国区)官方网站