备自投装置 你为什么闭锁了
2023-09-14 爱游戏网页版注册(中国区)官方网站
变电站备自投原理知识分享
2022-10-17 爱游戏网页版注册(中国区)官方网站
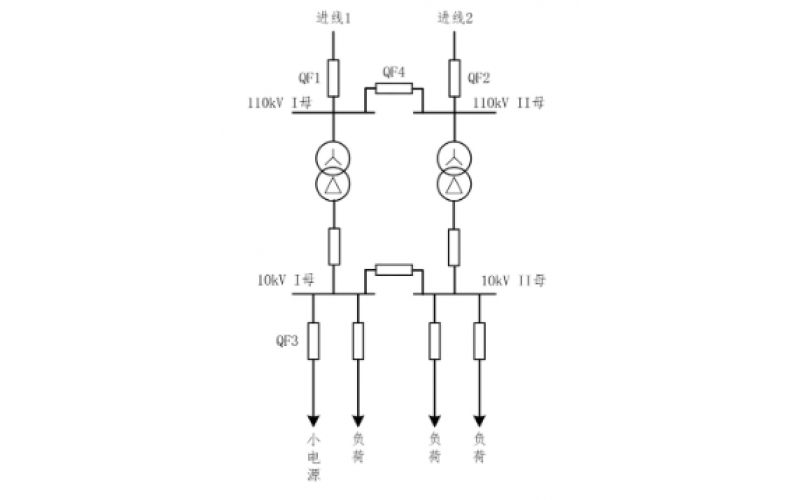
重庆爱游戏网页版注册(中国区)官方网站-小电源接入对备自投的影响
2022-09-06 爱游戏网页版注册(中国区)官方网站