差动保护用电流互感器知识分享
2023-07-10 爱游戏网页版注册(中国区)官方网站
电流互感器二次绕组尽量不要串联使用知识分享
2023-06-27 爱游戏网页版注册(中国区)官方网站
2 号发电机中性点 CT 匝间短路案例分享
2023-06-07 爱游戏网页版注册(中国区)官方网站
2023-05-23 爱游戏网页版注册(中国区)官方网站
智能变电站继电保护技术规范知识分享
2023-05-22 爱游戏网页版注册(中国区)官方网站
110kV线路间隔保护检验分享
2023-05-10 爱游戏网页版注册(中国区)官方网站
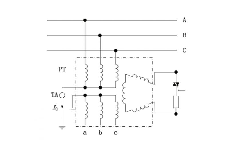
微机消谐装置消谐原理知识分享
2023-05-09 爱游戏网页版注册(中国区)官方网站
弄懂变压器的油温与绕组温度
2023-04-28 爱游戏网页版注册(中国区)官方网站