仪表防爆知识问答分享
2023-08-21 爱游戏网页版注册(中国区)官方网站
关于仪表测量的这些要点,你掌握了吗?
2023-08-04 爱游戏网页版注册(中国区)官方网站
关于仪表测量的这些知识要点,你掌握了吗?
2023-07-13 KWZK
何为一次调频功能,一次调频和二次调频有区别?
2023-07-12 KWZK
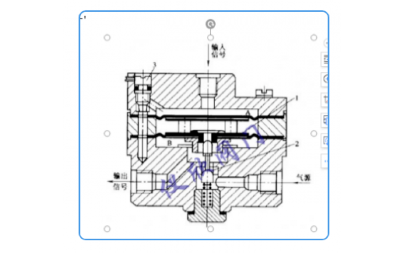
详解气动继动器知识分享
2023-07-03 爱游戏网页版注册(中国区)官方网站
工业自动化仪表设计安装容易忽略的问题
汽轮机胀差、轴位如何定零位?
2023-05-22 爱游戏网页版注册(中国区)官方网站
系统接地接对控制系统的影响!
2023-05-10 爱游戏网页版注册(中国区)官方网站