机组并网后励磁装置灭磁柜电阻元件烧损案例分享
2023-05-23 爱游戏网页版注册(中国区)官方网站
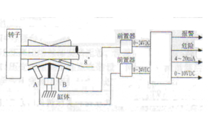
汽轮机胀差、轴位如何定零位?
2023-05-22 爱游戏网页版注册(中国区)官方网站
某电厂冷再至辅汽气动调阀更换经验反馈
2023-05-17 爱游戏网页版注册(中国区)官方网站
发电机的主要继电保护都有啥?
2023-04-26 爱游戏网页版注册(中国区)官方网站
大容量汽轮发电机定子绕组进水量和进水温度变化对发电机出力有何影响?
通过案例分析轴瓦温度在汽轮机中的应用
2023-04-25 爱游戏网页版注册(中国区)官方网站
汽机运行监控要点知识分享
2023-04-18 爱游戏网页版注册(中国区)官方网站
150 t/h超高压再热循环流化床锅炉事故处理
2023-03-29 爱游戏网页版注册(中国区)官方网站