爱游戏网页版注册(中国区)官方网站

新闻动态

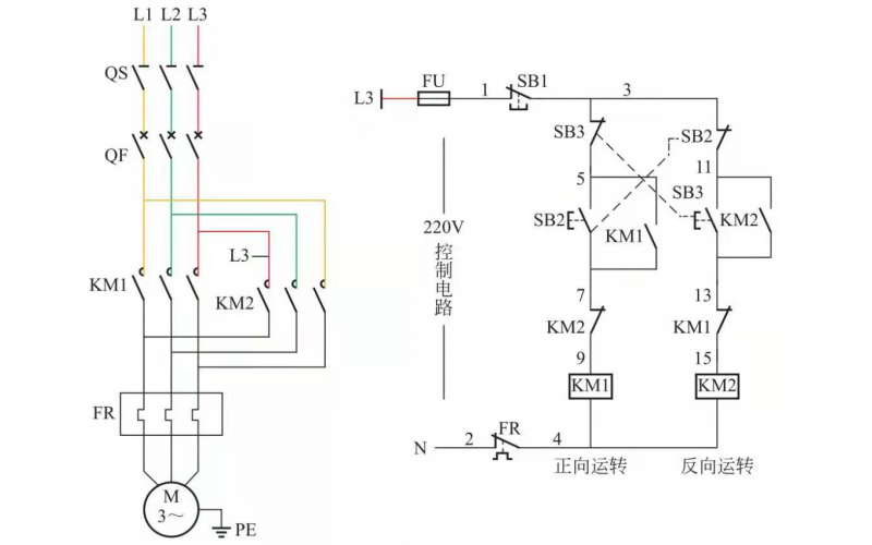
  • 接触器互锁正反转电路知识

    合上控制回路熔断器FU,电路具备启停条件。电动机主回路中增加了过载保护(热继电器FR)。电动机过载时,热继电器FR动作,FR的动断触点断开,接触器KM断电释放,KM的三个主触点同时断开,电动机断电停止运转。

    2022-04-16 kwzk爱游戏网页版注册(中国区)官方网站自控

  • 基本照明控制电路知识

    照明线路一般由电源、导线、开关和负载(照明灯)组成,常见的照明控制电路主要有,一只开关控制一盏灯线路、一只开关控制两盏及两盏灯以上的照明线路、两个(或多个)开关异地控制一盏灯的照明线路等多种形式。常用的白炽灯、节能灯、荧光灯以及LED灯等照明灯具,都可以采用这些控制电路。

    2022-04-16 kwzk爱游戏网页版注册(中国区)官方网站自控

  • 电动机及用电设备线路的维护知识

    为保证安全可靠、优质和经济合理的用电,做好用电设备的维护,故障处理及检修是十分重要的。着重介绍电动机和配电线路的检修与维护。

    2022-04-13 爱游戏网页版注册(中国区)官方网站

  • ABB低压变频器常见故障处理知识汇总

    ABB低压变频器常见故障处理知识汇总

    2022-04-04 爱游戏网页版注册(中国区)官方网站

上一页1234567下一页 转至第
爱游戏网页版注册(中国区)官方网站
产品
新闻
联系