什么是水煤比?什么是中间点温度?
2023-08-14 爱游戏网页版注册(中国区)官方网站
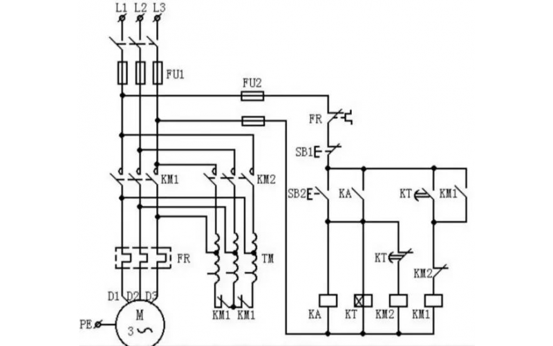
电机的重载和轻载保护值,你还在乱设吗?是有规矩的,看完就懂了
2023-08-11 爱游戏网页版注册(中国区)官方网站
某电厂汽泵最小流量阀快开给水流量急剧下降MFT动作
2023-08-02 爱游戏网页版注册(中国区)官方网站
电动盘车装置
2023-07-31 爱游戏网页版注册(中国区)官方网站
某电厂减水过快给水流量低保护动作锅炉MFT
空压机四大节能思路分享
2023-07-27 爱游戏网页版注册(中国区)官方网站
#6锅炉高温过热器氧化皮脱落分析报告
2023-07-21 爱游戏网页版注册(中国区)官方网站
检修防误专项安全措施知识分享
2023-07-03 爱游戏网页版注册(中国区)官方网站